German Standard Anchor Releaser DIN81860
[Search Related Products]
German Standard Anchor Releaser DIN81860
Anchor Chain Releaser¡¯s operating handle is stored outside of the chains storage. It is easy for users to operate when ships face sudden danger. Users don¡¯t need going into the storage to cut off the anchor chains. Anchor releaser can effectively and immediately release the end link of anchor chains and then protect the ship safe sailing.
We supply different types of anchor releaser: simply type anchor releaser, screw type anchor releaser, plug type anchor releaser, watertight screw type anchor releaser, German standard anchor releaser. For more information, please feel free to contact us.
Features of German Standard Anchor Releaser
1. Standard:German Standard DIN81860;
2. Nominal Chain Diameter: 36mm to 152mm;
3. Material: Steel;
4. Anti-rust Paint Surface;
5. No Burrs, Cracks, Sharp Corners or Any Other Defects;
6. High Quality Products with Standard Packing
7. Supply CCS, ABS, BV, LR, DNV Certificate etc.
8. Can Be Customized
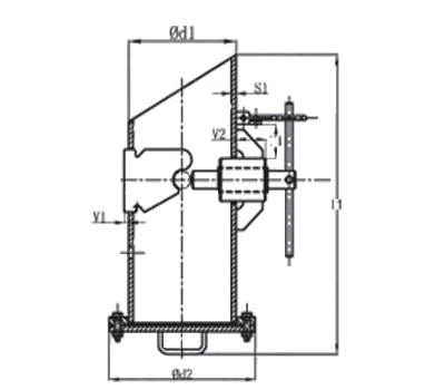
Drawing of German Standard Anchor Releaser DIN81860
|
Anchor Chain Dia.(mm) |
¦µd1¡Ás1 |
¦µd2 |
l1 |
u1 |
v1 |
v2 |
|
36-46 |
273¡Á12.5 |
375 |
735 |
75 |
10 |
75 |
|
48-56 |
323.9¡Á14.2 |
440 |
835 |
95 |
12 |
90 |
|
58-68 |
406.4¡Á16 |
540 |
995 |
110 |
14 |
95 |
|
70-81 |
508¡Á17.5 |
645 |
1245 |
105 |
15 |
100 |
|
84-92 |
508¡Á17.5 |
645 |
1245 |
130 |
15 |
150 |
|
95-105 |
610¡Á20 |
754 |
1430 |
130 |
18 |
150 |
|
107-114 |
610¡Á20 |
754 |
1430 |
170 |
18 |
185 |
|
117-127 |
711¡Á22.2 |
856 |
1615 |
170 |
20 |
185 |
|
130-137 |
813¡Á22.2 |
958 |
1790 |
170 |
20 |
185 |
|
142-152 |
914¡Á25 |
1060 |
1970 |
190 |
22 |
200 |
















