Dog Type Cable Clenches Anchor Releaser CB/T 3143-99
[Search Related Products]
Dog Type Cable Clenches Anchor Releaser CB/T 3143-99
Dog type cable clenches is strictly produced according to the shipbuilding industry standard CB/T 3143-1999. It is applicable to Grade 2 and Grade 3 anchor chains whose diameters are from 50mm to 120mm.
This dog type anchor releaser has excellent watertight function. It passes the quality test and gets qualified certificate. For more information, please feel free to contact us.
Features of Dog Type Cable Clenches
1. Standard: CB/T 3143-1999;
2. Nominal Chain Diameter: 52mm to 120mm
3. Applicable to Grade 2 and Grade 3 Anchor Chains;
4. Material: Steel;
5. Smooth Surface without Any Defects Such As Burrs, Cracks etc.;
6. Excellent Flexibility;
7. Surface: Red Oil Painting;
8. Supply CCS, ABS, BV, DNV,LR etc. Certificate;
9. Can be Customized
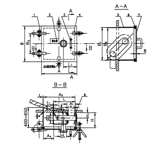
Drawing of Dog Type Cable Clenches Anchor Releaser CB/T 3143-99
|
Nominal Dia.(mm) |
Applicable Anchor Chain Dia. |
A |
A1 |
A2 |
A3 |
A4 |
B |
B1 |
B2 |
B3 |
H |
H1 |
H2 |
D |
D1 |
L |
t |
t1 |
Weight(kg) |
|
52 |
50~52 |
466 |
102 |
400 |
68 |
146 |
398 |
346 |
332 |
250 |
175 |
63 |
110 |
54 |
80 |
266 |
14 |
20 |
85 |
|
56 |
54~56 |
501 |
112 |
435 |
74 |
146 |
486 |
434 |
420 |
300 |
180 |
70 |
125 |
58 |
90 |
301 |
14 |
25 |
114 |
|
60 |
58~60 |
541 |
122 |
475 |
80 |
163 |
516 |
464 |
450 |
300 |
185 |
75 |
135 |
62 |
95 |
326 |
14 |
25 |
127 |
|
64 |
62~64 |
546 |
137 |
480 |
84 |
173 |
546 |
498 |
480 |
400 |
220 |
82 |
140 |
66 |
95 |
330 |
14 |
25 |
143 |
|
68 |
66~68 |
568 |
144 |
500 |
88 |
176 |
572 |
516 |
504 |
400 |
230 |
86 |
150 |
70 |
95 |
339 |
16 |
25 |
177 |
|
73 |
70~73 |
604 |
148 |
536 |
94 |
187 |
608 |
558 |
540 |
400 |
246 |
90 |
168 |
75 |
95 |
364 |
16 |
25 |
221 |
|
78 |
76~78 |
638 |
162 |
570 |
102 |
197 |
644 |
596 |
570 |
450 |
248 |
94 |
168 |
80 |
95 |
388 |
16 |
25 |
225 |
|
84 |
81~84 |
698 |
168 |
630 |
108 |
210 |
688 |
636 |
620 |
450 |
250 |
102 |
185 |
85 |
100 |
434 |
16 |
28 |
236 |
|
90 |
87~90 |
730 |
178 |
668 |
116 |
225 |
740 |
686 |
670 |
500 |
280 |
110 |
200 |
90 |
100 |
462 |
18 |
28 |
302 |
|
95 |
92~95 |
770 |
188 |
700 |
124 |
257 |
780 |
730 |
710 |
500 |
288 |
110 |
200 |
95 |
100 |
457 |
18 |
28 |
335 |
|
102 |
97~102 |
824 |
188 |
750 |
132 |
276 |
784 |
730 |
710 |
500 |
315 |
130 |
210 |
100 |
100 |
498 |
22 |
28 |
395 |
|
111 |
105~111 |
886 |
222 |
810 |
142 |
286 |
786 |
730 |
710 |
500 |
370 |
150 |
260 |
110 |
110 |
531 |
24 |
30 |
604 |
|
120 |
114~120 |
906 |
248 |
830 |
156 |
286 |
786 |
730 |
710 |
500 |
380 |
170 |
270 |
112 |
110 |
566 |
24 |
36 |
620 |
















