Offshore Sewage Treatment Plant
[Search Related Products]
This series offshore sewage treatment plant is compliance with the effluent standard of IMO MEPC159(55) , and 33CFR159 II.
This plant is applicable to treat the sewage, which means human body wastes and the wastes from the toilets on vessels and which is also called ¡°black water¡±, to meet the effluent standards of IMO MEPC.159£¨55), and discharge the effluent to overboard. It is also applicable to treat galley & shower drainage which is called ¡°grey water¡± .
The offshore sewage treatment plant uses activated sludge, contact oxidizing and principle of biologic membrane to digest the organic pollutant, which can treat sewage effectively and reach at the IMO new effluent standard or other stricter requirements.
Also, CCS, EC, BV, GL, USCG, ABS certificate class available.
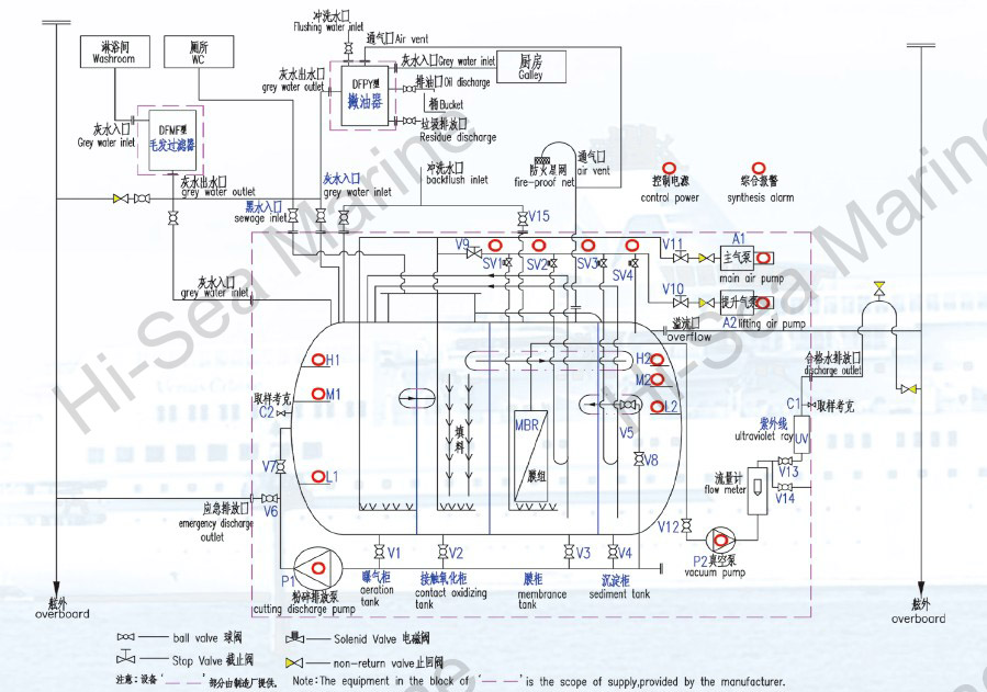
System Principle Drawing:
Advantages:
1. Adopting horizontal circular design, ellipse closures on both ends, pressure resistance and compact structure.
2. The device is adopted auto-control, and compliance with the requirement of 24-hours unattended cabin.
3. Adopting the 'MBR' technology, allow devices to narrow the size, and solve the conflict of small space of cabin, but big volume of device.
4. The intermittent aeration in bio-membrane tank and hollow fiber membrane tank, form the process of 'aerobic - anoxic', and resolve the problem of 'nitrogen and phosphorus removal'.
5. The device is adopting the principle of air-lifting to transfer the sludge from sediment tank and membrane tank to aeration tank, mealtimes the pump stops and air never stopped, so as the scale on the membrane surface comes down. Due to back flushing and clean the membrane online USD technology patent, so the life of membrane can be prolonged at least 8 to 9years.
6. 'On-line' cleaning technology, making the dirt on membrane off automatically, recover membrane flux. It can be solved the problem of opening the cleaning or replacement of membrane difficultly caused by the small space in cabin.
7. The effluent after further treatment can be reached at the requirement of water reuse.
For more information of the specification, please do not hesitate to contact us
The technical datas:
|
Model |
SWCM- |
||||||||||||||||
|
10 |
15 |
20 |
25 |
30 |
40 |
50 |
60 |
80 |
100 |
120 |
150 |
200 |
250 |
300 |
400 |
||
|
LOAD |
Average load £¨L/d£© |
840 |
1190 |
1540 |
1890 |
2310 |
3080 |
3780 |
4480 |
6020 |
7700 |
9100 |
11200 |
14700 |
18200 |
23100 |
30800 |
|
Peak load £¨L/h£© |
105 |
149 |
193 |
237 |
289 |
385 |
473 |
560 |
753 |
963 |
1138 |
1400 |
1838 |
2275 |
2888 |
3850 |
|
|
Organic load (kgBOD5/d£© |
0.42 |
0.595 |
0.77 |
0.945 |
1.155 |
1.54 |
1.89 |
2.24 |
3.01 |
3.85 |
4.55 |
5. 6 |
7.35 |
9.10 |
11.55 |
15.4 |
|
|
Rated capacity £¨men£© |
10 |
15 |
20 |
25 |
30 |
40 |
50 |
60 |
80 |
100 |
120 |
150 |
200 |
250 |
300 |
400 |
|
|
Max capacity£¨men£© |
12 |
17 |
22 |
27 |
33 |
44 |
54 |
64 |
86 |
110 |
130 |
160 |
210 |
260 |
330 |
440 |
|
|
Electricity |
AC 380V/50Hz/3¦Õ, AC 415V/50Hz/3¦Õ, AC 440/60Hz/3¦Õ (optional) |
||||||||||||||||
|
Power £¨kW£© |
2.5 |
2.5 |
2.5 |
2.5 |
2.5 |
3.0 |
3.0 |
3.5 |
4.0 |
4.0 |
4.0 |
6.0 |
6.0 |
7.0 |
9.0 |
11 |
|
|
External dimension £¨mm£© L¡ÁW¡ÁH |
1510 ¡Á 1200 ¡Á 1300 |
1870 ¡Á 1200 ¡Á 1400 |
1745 ¡Á 1400 ¡Á 1525 |
1935 ¡Á 1400 ¡Á 1560 |
1985 ¡Á 1500 ¡Á 1650 |
2400 ¡Á 1600 ¡Á 1700 |
2410 ¡Á 1700 ¡Á 1850 |
2670 ¡Á 1700 ¡Á 1850 |
2780 ¡Á 1900 ¡Á 2050 |
2795 ¡Á 2000 ¡Á 2200 |
3000 ¡Á 2000 ¡Á 2200 |
3050 ¡Á 2200 ¡Á 2300 |
3600 ¡Á 2200 ¡Á 2350 |
3880 ¡Á 2400 ¡Á 2570 |
4750 ¡Á 2400 ¡Á 2570 |
5950 ¡Á 2400 ¡Á 2570 |
|
|
weight |
Dry weight£¨kg£© |
900 |
1000 |
1000 |
1100 |
1200 |
1300 |
1450 |
1600 |
1850 |
2200 |
2300 |
2800 |
3000 |
3300 |
3700 |
4200 |
|
Wet weight£¨kg£© |
1775 |
2283 |
2640 |
2740 |
3500 |
4400 |
5073 |
5270 |
6517 |
8268 |
9166 |
11340 |
13267 |
16538 |
20357 |
25417 |
|
|
Effluent standard |
BOD5¡Û25mg/L, COD¡Û125mg/L, TSS¡Û35mg/L, Coliform¡Û100/100ml, PH6¡«8.5, CL2¡Û0.5mg/L |
||||||||||||||||
The work shop and storage:

Certificates:



























