Kidney Bollard
[Search Related Products]
Kidney Bollard
Kidney shaped bollard is one type of dock bollards which is for secure mooring. We also provide other types of mooring bollards: Tee head bollard, staghorn bollard, R type bollard, J type bollard, CVI-bollard, cross bollard, welded inserted bollard, JIS F-2001 double bollard, DIN82607 double bollard and so on. Customized products according to customer¡¯s special requirements. For specific information, please feel free to contact us.
Features of Kidney Bollard
1. Kidney shaped bollard;
2. Bollard Capacity: 15 to 200tonnes;
3. Bolts Quantity: 4 to 8;
4. Material: Cast iron, cast steel, cast SG iron;
5. Paint System: yellow, black, grey etc.
6. Surface:polished, galvanized
7. Guarantee: 1 year
8. Certificate: CCS,ABS,GL, NK etc.
9. Can be customized
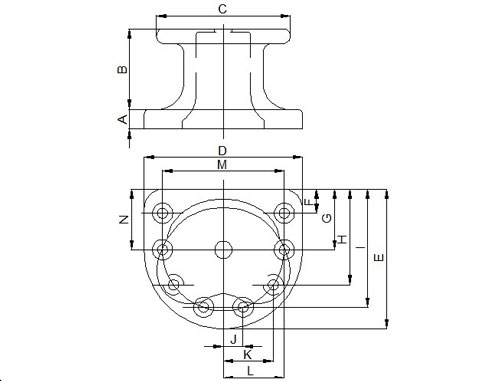
Drawing of Kidney Bollard
|
Dimensions(mm) |
Standard Bollard Capacity (Metric Tonnes) |
|||||||||
|
15 |
20 |
30 |
50 |
75 |
100 |
125 |
150 |
200 |
||
|
A |
41 |
51 |
54 |
60 |
70 |
79 |
89 |
95 |
111 |
|
|
B |
194 |
216 |
257 |
264 |
298 |
340 |
375 |
410 |
457 |
|
|
C |
275 |
330 |
385 |
413 |
481 |
550 |
605 |
660 |
759 |
|
|
D |
325 |
390 |
455 |
488 |
569 |
650 |
715 |
780 |
897 |
|
|
E |
288 |
345 |
402 |
431 |
503 |
575 |
632 |
690 |
793 |
|
|
F |
50 |
60 |
70 |
75 |
88 |
100 |
110 |
120 |
138 |
|
|
G |
- |
- |
- |
- |
238 |
272 |
299 |
326 |
345 |
|
|
H |
- |
213 |
258 |
226 |
381 |
436 |
479 |
523 |
543 |
|
|
I |
213 |
300 |
350 |
353 |
438 |
500 |
550 |
600 |
671 |
|
|
J |
88 |
0 |
0 |
88 |
0 |
0 |
0 |
0 |
112 |
|
|
K |
- |
136 |
154 |
183 |
146 |
167 |
184 |
201 |
283 |
|
|
L |
- |
- |
- |
- |
218 |
249 |
274 |
299 |
345 |
|
|
M |
250 |
300 |
350 |
375 |
438 |
500 |
550 |
600 |
690 |
|
|
N |
125 |
150 |
175 |
188 |
219 |
250 |
275 |
300 |
345 |
|
|
Bolt Size |
M24 |
M24 |
M30 |
M36 |
M36 |
M42 |
M48 |
M56 |
M56 |
|
|
Bolt Length |
450 |
450 |
450 |
600 |
600 |
600 |
750 |
915 |
915 |
|
|
Bolt Quantity |
4 |
5 |
5 |
6 |
7 |
7 |
7 |
7 |
8 |
|
























































