Rudder Stock Sealing Device
[Search Related Products]
Rudder Stock Sealing Device
This product is rudder stock sealing device. It is compact in structure and easy to be maintained. It is suitable for the sealing between the rudder stock and hull. There are two types of this product. One is with shaft diameter ø100¡«ø300, the other is with shaft diameter ø65¡«ø100. It is approved by CCS, ABS, BV, GL, etc. We can offer the certificate according to customer¡¯s request.
Drawing and specification:

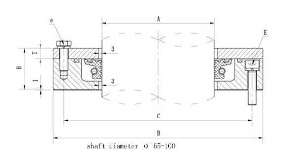
Drawing of Rudder Stock Sealing Device
|
Specification |
Dimensions (mm) |
Weight (kg) |
||||||
|
A |
B |
C |
E |
H |
T |
e |
||
|
80 |
65/70/75/80 |
200 |
225 |
4-M10¡Á45 |
56 |
10 |
4-M10¡Á25 |
13 |
|
100 |
85/90/95/100 |
220 |
190 |
4-M10¡Á45 |
56 |
10 |
4-M10¡Á25 |
15 |
|
130 |
101~130 |
250 |
225 |
6-M12¡Á35 |
50 |
10 |
2-M8¡Á20 |
9 |
|
160 |
131~160 |
280 |
255 |
6-M12¡Á35 |
50 |
10 |
2-M8¡Á20 |
11 |
|
190 |
161~190 |
310 |
285 |
6-M12¡Á40 |
52 |
10 |
2-M10¡Á25 |
12 |
|
220 |
191~220 |
358 |
324 |
6-M12¡Á40 |
52 |
10 |
2-M10¡Á25 |
16 |
|
260 |
221~260 |
404 |
370 |
6-M12¡Á40 |
55 |
10 |
2-M10¡Á25 |
19 |
|
300 |
261~300 |
444 |
410 |
6-M12¡Á40 |
55 |
10 |
2-M10¡Á25 |
20 |
Product showing:
Marine Rudder Stock Sealing Apparatus
Marine Rudder Stock Sealing Device































