Plane Friction Watertight Rudder Carrier CB/T3282-2001
[Search Related Products]
Plane Friction Watertight Rudder Carrier CB/T3282-2001
Approved by standard of CB/T3282-2001, this product is plane friction watertight rudder carrier. It is suitable for large and medium vessels with a rudder stock diameter above 200mm. The sizes in the following table are for reference only. The product can be manufactured according to customer¡¯s request. Besides, certificates such as CCS, BV, ABS, GL, and LR can be offered according to clients¡¯ need.
Drawing and specification:
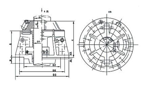
Drawing of Plane Friction Watertight Rudder Carrier
|
Dimensions (mm) |
Fastening Bolt |
|||||||||||
|
D |
D1 |
D2 |
D3 |
D8 |
A |
B |
C |
E |
H |
t3 |
b¡Áh¡Át |
M30¡Á12 |
|
200 |
216 |
466 |
670 |
590 |
330 |
80 |
90 |
450 |
20 |
30 |
45¡Á25¡Á80 |
M36¡Á12 |
|
220 |
236 |
550 |
790 |
700 |
375 |
85 |
100 |
505 |
20 |
30 |
45¡Á25¡Á90 |
M36¡Á12 |
|
240 |
258 |
620 |
860 |
770 |
430 |
90 |
100 |
560 |
20 |
30 |
45¡Á25¡Á90 |
M36¡Á12 |
|
260 |
278 |
680 |
920 |
830 |
460 |
95 |
110 |
600 |
20 |
30 |
50¡Á28¡Á100 |
M36¡Á12 |
|
280 |
300 |
710 |
960 |
870 |
515 |
90 |
110 |
665 |
20 |
40 |
60¡Á32¡Á100 |
M42¡Á12 |
|
300 |
320 |
720 |
1110 |
940 |
545 |
95 |
120 |
705 |
20 |
40 |
60¡Á32¡Á110 |
M42¡Á18 |
|
320 |
342 |
780 |
1180 |
1010 |
570 |
100 |
120 |
730 |
25 |
40 |
60¡Á32¡Á110 |
M42¡Á18 |
|
340 |
362 |
840 |
1240 |
1070 |
630 |
105 |
130 |
800 |
25 |
40 |
60¡Á32¡Á120 |
M48¡Á18 |
|
360 |
384 |
900 |
1300 |
1130 |
690 |
90 |
130 |
880 |
25 |
60 |
60¡Á32¡Á120 |
M48¡Á18 |
|
380 |
404 |
960 |
1360 |
1190 |
755 |
95 |
140 |
955 |
25 |
60 |
60¡Á32¡Á130 |
M48¡Á18 |
|
400 |
426 |
960 |
1360 |
1190 |
600 |
110 |
140 |
800 |
25 |
60 |
70¡Á36¡Á130 |
M42¡Á12 |
|
420 |
446 |
1020 |
1420 |
1250 |
635 |
110 |
150 |
845 |
30 |
60 |
70¡Á36¡Á140 |
M42¡Á18 |
|
440 |
468 |
1080 |
1480 |
1310 |
665 |
105 |
150 |
885 |
30 |
70 |
70¡Á36¡Á140 |
M42¡Á18 |
|
460 |
488 |
1140 |
1540 |
1370 |
700 |
110 |
160 |
930 |
30 |
70 |
70¡Á36¡Á150 |
M42¡Á18 |
|
480 |
510 |
1210 |
1610 |
1440 |
730 |
115 |
160 |
960 |
30 |
70 |
80¡Á40¡Á150 |
M42¡Á18 |
|
500 |
530 |
1270 |
1670 |
1500 |
760 |
120 |
170 |
1000 |
30 |
70 |
80¡Á40¡Á160 |
M42¡Á18 |
Product displaying:
Watertight Rudder Bearing
Watertight Rudder Carrier
Plane Friction Watertight Rudder Bearing































