U Type Rubber Fender
[Search Related Products]
Features:
1. Moderate reation force and high capability of energy absorption
2. It is vigid in structure and in long service life.
3.It can be replaced easily.
Specification:
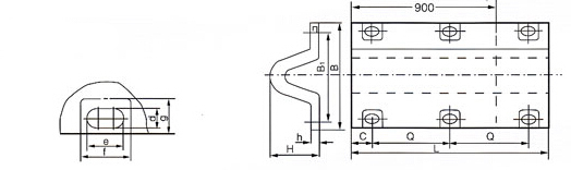
|
U Type Rubber Fender Specification |
|||||||||||||||||||||||
|
Performance£º
|
Reaction Force£º |
|
Unit |
measured data |
|
Compressive Deflection |
50.0% |
Tons |
33 |
|
Compressive Deflection |
62.5% |
Tons |
40 |
|
Energy Absorption£º |
|||
|
Compressive Deflection |
50.0% |
Tons |
1.6 |
|
Compressive Deflection |
62.5% |
Tons |
2.9 |
U Type Rubber Fender Picture



























