GD Type Rubber Fender
[Search Related Products]
Type GD Rubber Fender
GD Type Rubber Fenders are developed on the basis of D Fenders. They can be fixed with double line anchors which greatly increase the installation stability. Furthermore, their anchoring bolt is bigger than D Fender so that the anchoring grip is double to D Fender
Feature
1.The performance of reaction force and energy absorption is higher than type D
2.It can be installed firmly and is in long service life
3.It is usually suitable for the frame type harbor
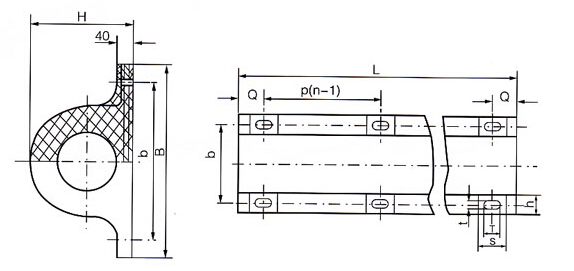
Specification£º
Unit£ºmm
|
Type
|
H |
B |
b |
L |
Q |
P |
S |
h |
T |
t |
n |
|
GD280H¡Á1000L |
280 |
540 |
430 |
1000 |
150 |
700 |
165/170 |
120 |
82/90 |
41/45 |
1 |
|
GD280H¡Á1500L |
280 |
540 |
430 |
1500 |
150 |
600 |
165/170 |
120 |
82/90 |
41/45 |
2 |
|
GD280H¡Á2000L |
280 |
540 |
430 |
2000 |
145 |
570 |
165 |
120 |
82 |
41 |
3 |
|
GD280H¡Á2500L |
280 |
540 |
430 |
2500 |
150 |
550 |
165 |
120 |
82 |
41 |
4 |
|
GD300H¡Á1000L |
300 |
600 |
490 |
1000 |
150 |
700 |
165 |
120 |
90 |
45 |
1 |
|
G300H¡Á1500L |
300 |
600 |
490 |
1500 |
150 |
600 |
165 |
120 |
90 |
45 |
2 |
|
GD300H¡Á2000L |
300 |
600 |
490 |
2000 |
145 |
570 |
165 |
120 |
90 |
45 |
3 |
|
GD300H¡Á2500L |
300 |
600 |
490 |
2500 |
150 |
550 |
165 |
120 |
90 |
45 |
4 |
Products of other specification and sizes can be discussed with custormers¡£
Performance:
|
Type
|
Design Compressive Deflection(%) |
Performance |
||
|
Reaction Force(KN) |
Energy Absorption(KJ) |
Tolerance% |
||
|
GD280H¡Á1000L |
50 |
371.0 |
14.0 |
¡À10 |
|
GD280H¡Á1500L |
557.0 |
21.0 |
||
|
GD280H¡Á2000L |
742.0 |
28.0 |
||
|
GD280H¡Á2500L |
927.5 |
35.0 |
||
|
GD300H¡Á1000L |
441.0 |
17.6 |
||
|
G300H¡Á1500L |
661.5 |
26.4 |
||
|
GD300H¡Á2000L |
882.0 |
35.2 |
||
|
GD300H¡Á2500L |
1102.5 |
44.0 |
||
|
Performance Curve
GD300H¡Á1500L
|
||||||||||||||||||||||
Installation:
Number of bolt required for the fonder with different length:
GD Type Rubber Fender Picture



























