Super Arch Rubber Fender
[Search Related Products]
Super Arch Type(Type SB) Rubber Fender (Equal to Type DA-B)
Feature
1¡¢SA-B (DA-B) Rubber fenders are equipped with head embedded plate and top impingement board, consequently it greatly reduces the surface pressure and friction coefficient.
2¡¢The dimensions of fenders body and installation fitting are both identical with SA- (DA-A) type.
3¡¢According to the users¡¯needs, to make some limit adjustment to some dimensions of SA (DA) type can be formed LMD type. Its main structure and mechanical property are almost same, and can be extended to LMD-A type and LMD-B type.
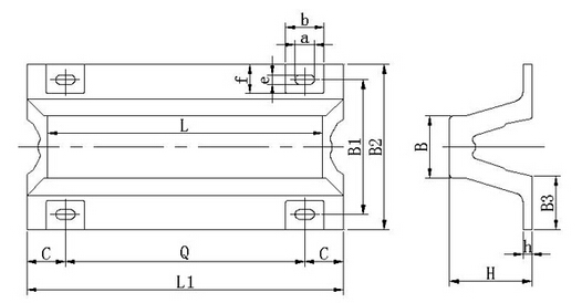
Specification:
|
Types |
Specification(mm) |
||||||||||||||
|
H |
L |
L1 |
C |
Q |
n |
B |
B1 |
B2 |
B3 |
h |
a |
b |
e |
f |
|
|
HS150 x 1000 |
150 |
1000 |
1075 |
110 |
855 |
1 |
98 |
240 |
300 |
96 |
25 |
50 |
95 |
25 |
55 |
|
HS150 x 2000 |
150 |
2000 |
2075 |
107.5 |
620 |
3 |
98 |
240 |
300 |
96 |
25 |
50 |
95 |
25 |
55 |
|
HS150 x 3000 |
150 |
3000 |
3075 |
107.5 |
715 |
4 |
98 |
240 |
300 |
96 |
25 |
50 |
95 |
25 |
55 |
|
HS200 x 1000 |
200 |
1000 |
1100 |
120 |
860 |
1 |
135 |
320 |
400 |
128 |
30 |
58 |
105 |
29 |
75 |
|
HS200 x 2000 |
200 |
2000 |
2100 |
120 |
620 |
3 |
135 |
320 |
400 |
128 |
30 |
58 |
105 |
29 |
75 |
|
HS200 x 3000 |
200 |
3000 |
3100 |
120 |
715 |
4 |
135 |
320 |
400 |
128 |
30 |
58 |
105 |
29 |
75 |
|
HS250 x 1000 |
250 |
1000 |
1125 |
130 |
865 |
1 |
164 |
410 |
500 |
160 |
33 |
64 |
125 |
32 |
90 |
|
HS250 x 2000 |
250 |
2000 |
2125 |
132.5 |
620 |
3 |
164 |
410 |
500 |
160 |
33 |
64 |
125 |
32 |
90 |
|
HS250 x 3000 |
250 |
3000 |
3125 |
132.5 |
715 |
4 |
164 |
410 |
500 |
160 |
33 |
64 |
125 |
32 |
90 |
|
HS300 x 1000 |
300 |
1000 |
1150 |
140 |
870 |
1 |
225 |
490 |
600 |
195 |
33 |
70 |
140 |
35 |
105 |
|
HS300 x 2000 |
300 |
2000 |
2150 |
137.5 |
625 |
3 |
225 |
490 |
600 |
195 |
33 |
70 |
140 |
35 |
105 |
|
HS300 x 3000 |
300 |
3000 |
3150 |
145 |
715 |
4 |
225 |
490 |
600 |
195 |
33 |
70 |
140 |
35 |
105 |
|
HS400 x 1000 |
400 |
1000 |
1200 |
150 |
900 |
1 |
300 |
670 |
800 |
260 |
40 |
82 |
165 |
41 |
120 |
|
HS400 x 2000 |
400 |
2000 |
2200 |
147.5 |
635 |
3 |
300 |
670 |
800 |
260 |
40 |
82 |
165 |
41 |
120 |
|
HS400 x 3000 |
400 |
3000 |
3200 |
150 |
725 |
4 |
300 |
670 |
800 |
260 |
40 |
82 |
165 |
41 |
120 |
|
HS500 x 1000 |
500 |
1000 |
1250 |
160 |
930 |
1 |
375 |
840 |
1000 |
325 |
45 |
94 |
180 |
47 |
140 |
|
HS500 x 2000 |
500 |
2000 |
2250 |
157.5 |
645 |
3 |
375 |
840 |
1000 |
325 |
45 |
94 |
180 |
47 |
140 |
|
HS500 x 3000 |
500 |
3000 |
3250 |
156 |
730 |
4 |
375 |
840 |
1000 |
325 |
45 |
94 |
180 |
47 |
140 |
|
HS600 x 1000 |
600 |
1000 |
1300 |
170 |
960 |
1 |
450 |
1010 |
1200 |
390 |
54 |
100 |
195 |
50 |
160 |
|
HS600 x 2000 |
600 |
2000 |
2300 |
167.5 |
655 |
3 |
450 |
1010 |
1200 |
390 |
54 |
100 |
195 |
50 |
160 |
|
HS600 x 3000 |
600 |
3000 |
3300 |
170 |
740 |
4 |
450 |
1010 |
1200 |
390 |
54 |
100 |
195 |
50 |
160 |
|
HS800 x 1000 |
800 |
1000 |
1400 |
180 |
1040 |
1 |
600 |
1340 |
1600 |
520 |
72 |
136 |
270 |
68 |
260 |
|
HS800 x 2000 |
800 |
2000 |
2400 |
180 |
680 |
3 |
600 |
1340 |
1600 |
520 |
72 |
136 |
270 |
68 |
260 |
|
HS800 x 3000 |
800 |
3000 |
3400 |
180 |
760 |
4 |
600 |
1340 |
1600 |
520 |
72 |
136 |
270 |
68 |
260 |
|
HS1000 x 1500 |
1000 |
1500 |
2000 |
200 |
800 |
2 |
750 |
1680 |
2000 |
650 |
90 |
136 |
290 |
68 |
300 |
Performance Curve:
Super Arch Rubber Fender



























