hiseamarine

Stainless Steel Socket Welded Flanges

[Search Related Products]

Stainless Steel Socket Welded Flanges

Stainless Steel Socket Welded Flanges

OEM accepted as well, welcome to send drawings to us for customized design!

As an agent of many excellent factories concentrate on various flanges, we have more than 10 years' professional experience in this field.

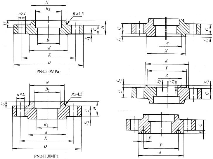
More than Stainless Steel Socket Welded Flanges£º

Flanges types:

Slip on flanges, welding neck flanges, long welding neck flanges, blind flanges, plate flanges, socket welding flanges, threaded flanges, lap joint flanges, orifice flanges, loose plate flanges.

Material:

Carbon steel , Stainless steel, Alloy steel:

A105, A36, Rst37.2, St37.2, C22.8, SA350 LF2/LF1, Q235, Q345, SS400, SF45, S235GRJ2,

304,304L,316,316L

Surface treatment:

Antirust oil, yellow, epoxy coating, nylon surface,hot galvanized,electrical galvanized

Making type:

Forged or casted

Standard:

ANSIB16.5/B16.47/B16.48/B16.36, ASME,MSS SP44, AWWA C207,DIN2527, DIN2566, DIN2573,DIN2576,DIN2641,DIN2642, DIN2655, DIN2656, DIN2627, DIN2628,DIN2629, DIN 2631, DIN2632,DIN2633,DIN2634,DIN2635,DIN2636, DIN2637, DIN2638, DIN2673 BS4504/10, JIS, EN 1092, NF, API590 FIG.8, GB, etc.

Pressure grade:

ASTM B16.5: 150LBS, 300LBS,400LBS, 600LBS, 900LBS, 1500LBS, 2500LBS

DIN: 6Bar, 10Bar, 16Bar, 25Bar, 40Bar

BS4504: PN2.5-PN40

BS10: Table D, E, F, H

JIS: 5K,10K, 16K, 20K, 30K


Contact with us now

Our mail: manager@hiseamarine.com

Change Image