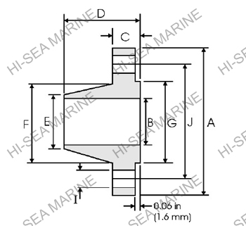
SS flange ASME B16.47 MSS SP-44 WN
[Search Related Products]

SS flange ASME B16.47 MSS SP-44 WN:
DN: 2'-24'
Stainless steel: 304,304L,316,316L,F321,F347,F310,F44 F51,A276 S31803, A182, F43, A276 S32750,A705 631,632,A961, A484
Application: petroleum, chemical, food industry, marine, etc.
Pressure grade: 50LB, 300LB,400LB, 600LB, 900LB, 1500LB, 2500LB
Certificate: API/ABS/CCS/DNV/GL/BV/LR/KR, etc.

























































