U.S Type G215 Round Pin Chain Shackle
[Search Related Products]
U.S Type G215 Round Pin Chain Shackle:
Our company is speicialized in producing US type G215 round pin chain shackle and all sizes are available. And our price is very competitive. In addition, our professional sales team will offer you the best service. If you are interested in our products, please feel free to get in touch with us.
Details:
1. Type: US type
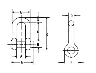
Nominal size
Weight (kg)
WLL
Dimensions (mm)
in
215
ton
A
B
C
D
E
F
G
H
N
1/4
0.05
1/2
11.9
7.85
28.7
6.35
19.8
15.5
32.5
46.7
34.0
5/16
0.08
3/4
13.5
9.65
31.0
7.85
21.3
19.1
37.3
53.0
40.4
3/8
0.13
1
16.8
11.20
36.6
9.65
26.2
23.1
45.2
63.0
47.2
1/2
0.20
2
19.1
12.70
42.9
11.20
29.5
26.9
51.5
74.0
54.0
5/8
0.27
3-1/4
20.6
16.00
47.8
12.70
33.3
30.2
58.5
83.5
60.5
1
0.57
8-1/2
26.9
19.10
60.5
16.00
42.9
38.1
74.5
106.0
74.0
1-1/4
1.20
12
31.8
22.40
71.5
19.10
51.0
46.0
89.0
126.0
87.0
1-1/2
1.43
17
36.6
25.40
84.0
22.40
58.0
53.0
102.0
148.0
96.5
1-3/4
2.15
25
42.9
28.70
95.5
25.40
68.5
60.5
119.0
167.0
115.0
2
3.03
35
46.0
31.80
108.0
29.50
74.0
68.5
131.0
190.0
130.0
2. Material: Carbon steel, Alloy steel
3. Usage: Marine hardware, electric power, machinery, metallurgy
4. Surface Treatment: Electric galvanized, hot dipped galvanized
5. Size: From 1/4 inch to 2 inch
6. Packing: Gunny bag or carton and pallet / by customer requirments
7. Our advantages: quality assurance, experienced staff, professional service, competitive price, etc.
8. Certifications: ISO9001, CE, SGS
9. Notes: Special specifications and marks can be made according to customers requirements
Specification:
Photo:
U.S Type Alloy Steel G215 Round Pin Chain Shackle
Structure:
Sketch of the US type G215 round pin chain shackle


























