Alloy Steel Screw Pin Chain Shackle
[Search Related Products]
Alloy Steel Screw Pin Chain Shackle:
Alloy steel screw pin chain shackles are practical in many rigging applications. And they are also the primary connecting link in all manner of rigging systems, from boats and ships to industrial crane rigging, as they allow different rigging subsets to be connected or disconnected quickly. Our company has been specialized in producing this product for many years. And the price is very competitive. Please feel free to contact with us.
Details:
1. Model: Alloy steel screw pin chain shackle
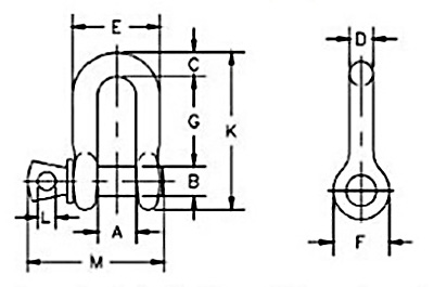
Nominal size (in)
Working load limit (tons)
Dimensions (in)
Weight each (lbs)
A
B
C
D
E
F
G
K
L
M
N
G-210
G-215
S-210
S-215
1/4
1/2
0.47
0.31
0.25
0.25
0.97
0.61
0.88
1.59
0.19
1.38
1.34
0.11
0.1
5/16
3/4
0.53
0.38
0.31
0.31
1.16
0.75
1.03
1.91
0.22
1.66
1.59
0.17
0.18
3/8
1
0.66
0.44
0.38
0.38
1.41
0.91
1.25
2.3
0.25
2.03
1.86
0.24
0.25
7/16
11/2
0.75
0.5
0.44
0.44
1.63
1.06
1.44
2.66
0.31
2.38
2.13
0.4
0.38
1/2
2
0.81
0.63
0.5
0.5
1.81
1.19
1.63
3.03
0.38
2.69
2.38
0.59
0.5
5/8
31/4
1.06
0.75
0.62
0.63
2.31
1.5
2
3.75
0.44
3.34
2.91
1.21
1.21
3/4
43/4
1.25
0.88
0.81
0.75
2.75
1.81
2.38
4.53
0.5
3.97
3.44
2.25
2
7/8
61/2
1.44
1
0.97
0.88
3.19
2.09
2.81
5.33
0.5
4.5
3.81
3.16
3.28
1
81/2
1.69
1.13
1
1
3.69
2.38
3.19
5.94
0.56
5.07
4.53
4.75
4.75
11/8
91/2
1.81
1.25
1.25
1.13
4.06
2.69
3.58
6.78
0.63
5.59
5.13
6.75
6.3
11/4
12
2.03
1.38
1.38
1.25
4.53
3
3.94
7.5
0.69
6.16
5.5
9.06
9
13/8
131/2
2.25
1.5
1.5
1.38
5
3.31
4.38
8.28
0.75
6.84
6.13
11.63
12
11/2
17
2.38
1.62
1.62
1.5
5.38
3.62
4.81
9.06
0.81
7.35
6.5
15.95
16.15
13/4
25
2.88
2.12
2.12
1.75
6.38
4.19
5.75
10.97
1
9.08
7.75
26.75
29.96
2
35
3.25
2
2
2
7.25
4.81
6.75
12.28
1.22
10.34
8.75
42.31
43.25
21/2
55
4.13
2.62
2.62
2.62
9.38
5.69
8
14.84
1.38
13
-
71.75
-
2. Material: Alloy steel
3. Usage: Marine hardware, electric power, machinery, metallurgy, building
4. Surface Treatment: Electric galvanized, hot dipped galvanized, painted
5. Size: From 1/4 inch to 21/2 inch
6. Packing: Gunny bag or carton and pallet / by customer requirments
7. Our advantages: quality assurance, experienced staff, professional service, competitive price, etc.
8. Certifications: ISO9001, CE, SGS,etc.
9. Notes: Special specifications and marks can be made according to customers requirements
Specification:
Photo:
Electro Galvanized Alloy Steel Screw Pin Chain Shackle
US Type Alloy Steel Screw Pin Chain Shackle
Structure:


























