Drop Forged Bolt Type Bow Shackle
[Search Related Products]
Galvanized drop forged bolt type shackle also referred to as an anchor shackle. With a larger 'O' shape to the loop, it can take loads from many directions without developing as much side load. However, the larger shape to the loop does reduce its overall strength.
Details:
1. Model: Galvanized drop forged bolt type shackle
2. Material: Alloy steel
3. Usage: Marine hardware, electric power, machinery, metallurgy, building
4. Surface Treatment: Electric galvanized, hot dipped galvanized, painted
5. Size: From 3/16 inch to 2 2/1 inch
6. Packing: Gunny bag or carton and pallet / by customer requirments
7. Our advantages: quality assurance, experienced staff, professional service, competitive price, etc.
8. Certifications: ISO9001, CE, SGS,etc.
9. Notes: Special specifications and marks can be made according to customers requirements
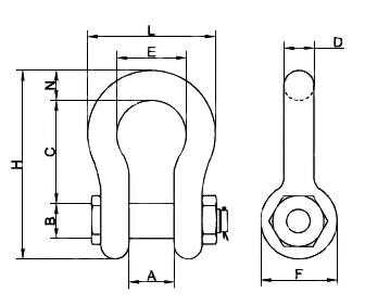
Specification:
|
Nominal size |
Working load limit |
Dimensions(in) |
Weight each(lbs) |
||||||||
|
in |
tons |
A |
B |
C |
D |
E |
F |
H |
L |
N |
G2130 |
|
3/16 |
1/3 |
0.38 |
0.25 |
0.88 |
0.19 |
0.6 |
0.56 |
1.47 |
0.98 |
0.19 |
0.06 |
|
1/4 |
1/2 |
0.47 |
0.31 |
1.13 |
0.25 |
0.78 |
0.61 |
1.84 |
1.28 |
0.25 |
0.11 |
|
5/16 |
3/4 |
0.53 |
0.38 |
1.22 |
0.31 |
0.84 |
0.75 |
2.09 |
1.47 |
0.31 |
0.22 |
|
3/8 |
1 |
0.66 |
0.44 |
1.44 |
0.38 |
1.03 |
0.91 |
2.49 |
1.78 |
0.38 |
0.33 |
|
7/16 |
1-1/2 |
0.75 |
0.5 |
1.69 |
0.44 |
1.16 |
1.06 |
2.91 |
2.03 |
0.44 |
0.49 |
|
1/2 |
2 |
0.81 |
0.64 |
1.88 |
0.5 |
1.31 |
1.19 |
3.28 |
2.31 |
0.5 |
0.79 |
|
5/8 |
3-1/4 |
1.06 |
0.77 |
2.38 |
0.63 |
1.69 |
1.5 |
4.19 |
2.94 |
0.69 |
1.68 |
|
3/4 |
4-3/4 |
1.25 |
0.89 |
2.81 |
0.75 |
2 |
1.81 |
4.97 |
3.5 |
0.81 |
2.72 |
|
7/8 |
6-1/2 |
1.44 |
1.02 |
3.31 |
0.88 |
2.28 |
2.09 |
5.83 |
4.03 |
0.97 |
3.95 |
|
1 |
8-1/2 |
1.69 |
1.15 |
3.75 |
1 |
2.69 |
2.38 |
6.56 |
4.69 |
1.06 |
5.66 |
|
1-1/8 |
9-1/2 |
1.81 |
1.25 |
4.25 |
1.13 |
2.91 |
2.69 |
7.47 |
5.16 |
1.25 |
8.27 |
|
1-1/4 |
12 |
2.03 |
1.4 |
4.69 |
1.29 |
3.25 |
3 |
8.25 |
5.75 |
1.38 |
11.71 |
|
1-3/8 |
13-1/2 |
2.25 |
1.53 |
5.25 |
1.42 |
3.63 |
3.31 |
9.16 |
6.38 |
1.5 |
15.83 |
|
1-1/2 |
17 |
2.38 |
1.66 |
5.75 |
1.53 |
3.88 |
3.63 |
10 |
6.88 |
1.62 |
19 |
|
1-3/4 |
25 |
2.88 |
2.04 |
7 |
1.84 |
5 |
4.19 |
12.34 |
8.8 |
2.25 |
33.91 |
|
2 |
35 |
3.25 |
2.3 |
7.75 |
2.08 |
5.75 |
4.81 |
13.68 |
10.15 |
2.4 |
52.25 |
|
2-1/2 |
55 |
4.13 |
2.8 |
10.5 |
2.71 |
7.25 |
5.69 |
17.9 |
12.75 |
3.13 |
98.25 |
Sketch of the galvanized drop forged bolt type shackle


























