TZ Series Shafting Gliding Thrust Bearing
[Search Related Products]
TZ Series Shafting Gliding Thrust Bearing
This product is marine shafting gliding thrust bearing. Approved by classification society certificates like CCS, ABS, BV, DNV, it is suitable for vessels that have a large thrust requirement and a small axial vibration requirement.
Drawing and specifications:
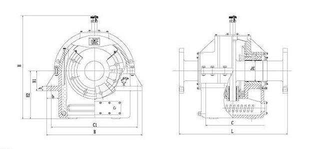
Drawing of TZ Series Shafting Gliding Thrust Bearing
|
Model |
Shaft Journal Dia. Dz(mm) |
Pmax (kgf) |
N (rpm) |
Approximate Sizes of Appearance (mm) |
Approximate Sizes of Appearance (mm) |
|||||||||||
|
L |
B |
H |
H1 |
H2 |
b |
h |
Base Bolt Hole |
C |
C1 |
|||||||
|
Reaming |
Bore |
|||||||||||||||
|
d1 |
Quantity |
d2 |
Quantity |
|||||||||||||
|
TZ140 |
140 |
6000 |
600/300 |
550 |
620 |
650 |
140 |
335 |
70 |
25 |
21 |
4 |
21 |
4 |
550 |
360 |
|
TZ160 |
160 |
9000 |
600/200 |
640 |
700 |
730 |
150 |
380 |
70 |
25 |
21 |
4 |
21 |
4 |
620 |
400 |
|
TZ180 |
180 |
12000 |
600/200 |
720 |
800 |
800 |
150 |
400 |
70 |
30 |
32 |
4 |
31 |
4 |
770 |
560 |
|
TZ200 |
200 |
16000 |
500/180 |
760 |
840 |
835 |
160 |
425 |
70 |
30 |
32 |
4 |
31 |
4 |
770 |
560 |
|
TZ220 |
220 |
20000 |
500/180 |
830 |
870 |
855 |
180 |
465 |
75 |
35 |
32 |
4 |
31 |
8 |
800 |
540 |
|
TZ280 |
280 |
30000 |
350/120 |
950 |
990 |
975 |
180 |
525 |
80 |
35 |
38 |
4 |
37 |
8 |
920 |
760 |
Product showing:
Marine Shafting Gliding Thrust Bearing









































