Large Pressure Intermediate Bearing
[Search Related Products]
This kind of large pressure intermediate bearing is suitable for vessels whose shafting pressure is larger than normative pressure (0.6MPa) and which need self-aligning. It is approved by CCCS, BV, DNV, ABS, KR, NK, LRS, etc.
Drawing and specifications:
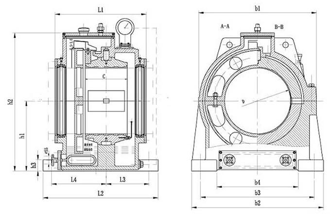
Drawing of Large Pressure Intermediate Bearing
Unit: mm
|
D |
Joint Bolts |
b1 |
b2 |
b3 |
b4 |
c |
h1 |
h2 |
h3 |
L1 |
L2 |
L3 |
L4 |
|
120~160 |
4¡ÁM20 |
320 |
310 |
270 |
160 |
86 |
185 |
360 |
32 |
306 |
320 |
155 |
115 |
|
161~200 |
4¡ÁM20 |
380 |
370 |
320 |
190 |
105 |
220 |
420 |
32 |
330 |
350 |
170 |
130 |
|
201~240 |
4¡ÁM24 |
450 |
440 |
380 |
230 |
126 |
270 |
500 |
35 |
354 |
390 |
185 |
145 |
|
241~280 |
4¡ÁM30 |
514 |
506 |
430 |
260 |
150 |
300 |
560 |
38 |
46 |
450 |
205 |
175 |
|
281~330 |
4¡ÁM30 |
604 |
596 |
520 |
320 |
10 |
370 |
645 |
43 |
436 |
480 |
220 |
190 |
|
331~390 |
4¡ÁM36 |
684 |
664 |
580 |
360 |
200 |
380 |
730 |
48 |
480 |
540 |
245 |
215 |
|
391~450 |
4¡ÁM36 |
770 |
760 |
670 |
440 |
230 |
425 |
820 |
93 |
535 |
585 |
270 |
235 |
|
451~510 |
4¡ÁM42 |
860 |
860 |
760 |
480 |
260 |
480 |
920 |
106 |
620 |
700 |
320 |
280 |
|
511~570 |
4¡ÁM42 |
960 |
910 |
810 |
510 |
290 |
530 |
1020 |
120 |
670 |
740 |
340 |
300 |
|
571~650 |
4¡ÁM48 |
1080 |
1030 |
910 |
570 |
330 |
610 |
1150 |
147 |
770 |
850 |
385 |
345 |
|
651~740 |
4¡ÁM48 |
1190 |
1170 |
1020 |
660 |
380 |
720 |
1330 |
177 |
840 |
930 |
425 |
375 |
Product picture:
Marine Large Pressure Intermediate Bearing
Marine DTZ Large Pressure Intermediate Bearing









































