Plate Type Silencer
[Search Related Products]
Plate Type Silencer:
1. Manufacture standard:GB 12348-1990.
2.Inspection standard:GB/T 14623-1993.
3.Silencer absorbance:14-17dB.
4.Flange standard:HG,GB,HGJ,JB,ANSI,,DIN,BS,NF.
5.Air displacement:2800”«15400m3/h.
6.Material:A3,304,304L,316,316L.
7.Sealing gasket:NBR,PTFE,Metal,Graphite.
8.Operating temprature:”Ü200”ę.
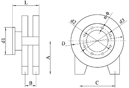
9.Fundamental dimensions of Plate Type Silencer£ŗ
|
D/mm |
A/mm |
L/mm |
d1/mm |
d2/mm |
d3/mm |
n-¦µ |
V/(m3/h) |
|
616 |
400 |
336 |
336 |
250 |
310 |
8-¦µ12 |
2800 |
|
716 |
450 |
336 |
336 |
300 |
360 |
8-¦µ12 |
3100 |
|
866 |
525 |
486 |
476 |
390 |
450 |
8-¦µ12 |
3500 |
|
1026 |
610 |
591 |
538 |
450 |
493 |
10-¦µ14 |
7000 |
|
1500 |
800 |
745 |
788 |
700 |
755 |
12-¦µ14 |
9000 |
|
1500 |
830 |
745 |
790 |
700 |
755 |
12-¦µ14 |
12000 |
|
1500 |
900 |
745 |
790 |
700 |
755 |
12-¦µ14 |
15400 |
10.Drawing of Plate Type Silencer:








