Electric Bow Thruster
[Search Related Products]
Electric Bow Thruster
Bow thruster drive by electric motor (voltage 380V, 415V, 440V), is widely used on all kinds of vessels because it is environment friendly and has much less gas pollution discharge and higher efficiency. The electric bow thruster enables ships to dock without the assistance of tugboats and save the costs. Our bow thrusters can be designed with fixed pitch propeller or controllable pitch propeller. All of our electric bow thrusters are approved by CCS, BV, ABS, DNV, NK, KR, GL, etc. If you are interested in our products, please be free to contact us, we will answer you as soon as possible.
Features:
1. Voltage: 380V, 415V, 440V
2. Drive power range: 50KW-2000KW
3. Thrust force range: 8KN-260KN
4. Propeller diameter: 500mm-2800mm
5. Certificates: ABS, BV, DNV, CCS, GL, RINA, KR, NK, etc.
Environmental condition
The bow thruster will have normal and reliable running in following environment. Ambient temperature: -28¡æ¡ª+55¡æ
Relative humidity: 95%£¨the relative humidity of installation environment of vibrate frequency starter and electric control device is 80%, and should have forced ventilation measures£©
Rolling: ¡À22.5; Heel: ¡À15
Trim: ¡À5; Pitching: ¡À7.5
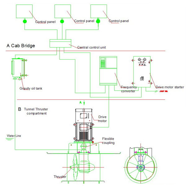
Bow Thruster Installation System Drawing
|
FPP bow thruster parameters |
|||||||||
|
Model |
FP-500 |
FP-600 |
FP-700 |
FP-800 |
FP-900 |
FP-1000 |
FP-1100 |
FP-1300 |
FP-1480 |
|
Max input power |
63/72 |
90/105 |
135/165 |
180/190 |
200/235 |
280/290 |
315/340 |
445/480 |
560/620 |
|
Ratio |
1.52 |
2.071 |
2.07 |
2.417 |
2.42 |
3.09 |
3.09 |
3.78 |
4.364 |
|
Max input torque |
600 |
900 |
900 |
1400 |
1400 |
2100 |
2100 |
3000 |
3800 |
|
Max input speed |
1450/1750 |
1450/1750 |
1450/1750 |
1450/1750 |
1450/1750 |
1450/1750 |
1450/1750 |
1450/1750 |
1450/1750 |
|
Propeller speed |
954/1151 |
700/845 |
700/845 |
600/724 |
600/724 |
469.1/566 |
469.1/566 |
384/463 |
332.3/401 |
|
Propeller diameter |
500 |
600 |
700 |
800 |
900 |
1000 |
1100 |
1300 |
1480 |
|
Max thrust |
10/11.2 |
14.5/16.3 |
20/24.8 |
29.5/30.5 |
31/35.4 |
43/45.2 |
49/53.8 |
67/73 |
88/95 |
|
Cylinder length |
600 |
800 |
800 |
920 |
920 |
1045 |
1045 |
1190 |
1320 |
|
Cylinder internal |
515 |
615 |
715 |
818 |
918 |
1020 |
1120 |
1328 |
1510 |
|
CPP bow thruster parameters |
|||||||
|
Model |
CP-1000 |
CP-1100 |
CP-1300 |
CP-1650 |
CP-2000 |
CP-2400 |
CP-2800 |
|
Max input power |
280 |
315/335 |
445/480 |
680/730 |
1050/900 |
1580/1720 |
2000/1910 |
|
Ratio |
3.09 |
3.09 |
3.78 |
4.72 |
4.82 |
4.645 |
4.395 |
|
Max input speed |
1450/1750 |
1450/1750 |
1450/1750 |
1450/1750 |
1450/1190 |
980/1190 |
980/880 |
|
Propeller speed |
469.1/560 |
469/566 |
384/463 |
307/370 |
301/247 |
211/256 |
223/200 |
|
Propeller diameter |
1000 |
1100 |
1300 |
1650 |
2000 |
2400 |
2800 |
|
Max thrust |
43 |
46/47 |
66/67 |
97/105 |
155/144 |
239/242 |
298/297 |
|
Cylinder length |
1045 |
1045 |
1190 |
1446 |
1680 |
1990 |
2280 |
|
Cylinder internal |
1020 |
1120 |
1328 |
1680 |
2030 |
2430 |
2836 |
Product image:
Electric Drive Bow Thruster






























