Single Sheave Horizontal Fairlead
[Search Related Products]
Single Sheave Horizontal Fairlead
Single sheave horizontal fairlead is usually used with fairleads and designed to assist in directing wire rope and controlling its movement for both anchors and for general mooring purposes where the vessel is tethered to bollards on the quayside.
Features
1. Can withstand breaking strength of wire at 90¡ãwarp
on sheave
2. Sealed Roller Bearings
3. Hardened Rope Grooves
4. Wear Resistance, Corrosion Resistance
5. Options: multiple sheaves, bolt down base, load monitoring system etc.
6. For Marine and Offshore Use
Specifications
1. Type: single sheave
2. Material: cast steel
3. Wire Diameter: 20mm~76mm
4. Installation Method: Weld Down
5. Mounted Position: Deck
6. Certificate: CCS, ABS, BV, LR, GL etc.
7. Can be customized according to customer's drawing
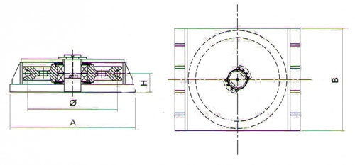
Drawing of Single Sheave Horizontal Fairlead
|
Max. Wire Dia.(mm) |
A |
B |
H |
¦µ |
|
20 |
650 |
510 |
70 |
360 |
|
25 |
700 |
540 |
70 |
390 |
|
32 |
810 |
650 |
95 |
540 |
|
38 |
960 |
760 |
125 |
640 |
|
44 |
1080 |
850 |
160 |
710 |
|
52 |
1310 |
1060 |
175 |
880 |
|
60 |
1450 |
1130 |
185 |
920 |
|
68 |
1600 |
1250 |
195 |
956 |
|
76 |
1820 |
1350 |
220 |
1120 |
Horizontal Single Sheave






