HOME
COMPANY
PRODUCTS
FACTORY
PROJECTS
INSPECTION
CONTACTS
Home
>
Marine Instrument
>
Marine Thermometer
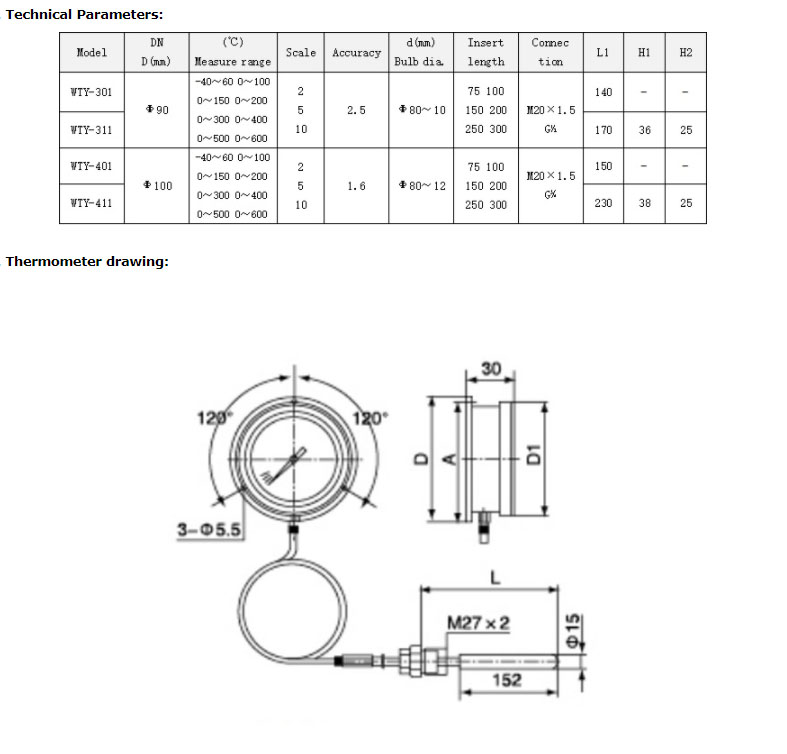
Pressure Type Anti-Vibration Thermometer
[Search Related Products]
Related products for "Pressure Type Anti-Vibration Thermometer"
14 Products found
WYZ serie Pressure Thermometer
WLG-12 Protector Thermometer
Metallic Protector Thermometer
WLG-11 Metallic Protector Thermometer
Marine Protector Thermometer
WLG Marine Thermometer
Bimetal Thermometer
Bimetallic Thermometer with thermocouple
Pressure type Thermometer
WLG-422 Metallic Protection Thermometer
Anti-corrosive Pressure type Thermometer
WLG-421 Marine Thermometer
Axial type Anti-vibration Thermometer
WLG type Thermometer
<
>
Contact with us now
Your mail:
Our mail:
manager@hiseamarine.com
Company:
Content:
Validate:
Change Image