Electric Threeway Control Ball Valve
[Search Related Products]

| DN | Full open | 20 | 25 | 40 | 50 | 65 | 80 | 100 | 125 | 150 | 200 |
| Reducing | 125 | 150 | 200 | ||||||||
| Nominal pressure | 1.0,1.0,1.6 Mpa | ||||||||||
| Adjustable extent | 100:1,200:1 | ||||||||||
| Actuator | Electric or Pneumatic | ||||||||||
| Flange standard | JB, ANSI, JIS, DIN | ||||||||||
| Valve body material | Cast steel(ZG230-450),Stainless steel(ZG1Cr18Ni9Ti,316,316L)etc | ||
| Valve plate | Stainless steel(ZG1Cr18Ni9Ti,316,316L)etc | ||
| Valve lever | Stainless steel(ZG1Cr18Ni9Ti,316,316L)etc | ||
| Filling material | Polytetrafluoroethylene | ||
| Seal type | Flexible seal | Hard seal | |
| Seal material | Carbon fiber Polytetrafluoroethylene | Polytetrafluoroethylene | Stainless steel+STL |
| Leakage rate | Άφ,low of rated flow 10-7-10-8 | Low of Rated flow 10-4 | |
| Working temperature | -20-150oC | -20-180oC | -20-250oC |
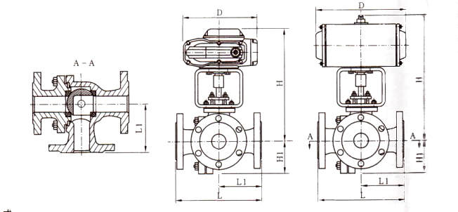
Two body
| DN | 20 | 25 | 40 | 50 | 65 | 80 | 100 | 125 | 150 | 200 | |
| L | 150 | 160 | 210 | 220 | 250 | 260 | 330 | 430 | 510 | 580 | |
| H1 | 55 | 60 | 75 | 85 | 95 | 105 | 115 | 140 | 160 | 210 | |
| UNIC | |||||||||||
| H | 309 | 321 | 340 | 370 | 410 | 468 | 555 | 717 | 771 | 774 | |
| D | 222 | 294 | 300 | 380 | 450 | 603 | 683 | ||||
| GTX | |||||||||||
| H | 280 | 305 | 330 | 340 | 410 | 460 | 535 | 670 | 690 | 750 | |
| D | 150 | 207 | 256 | 380 | |||||||
There body
| DN | 20 | 25 | 40 | 50 | 65 | 80 | 100 | 125 | 150 | 200 | |
| L | 260 | 260 | 340 | 400 | 500 | 500 | 600 | 640 | 680 | 750 | |
| H1 | 55 | 60 | 75 | 85 | 95 | 105 | 115 | 140 | 160 | 210 | |
| UNIC | |||||||||||
| H | 309 | 321 | 340 | 370 | 410 | 468 | 555 | 717 | 771 | 774 | |
| D | 222 | 294 | 300 | 380 | 450 | 603 | 683 | ||||
| GTX | |||||||||||
| H | 280 | 305 | 330 | 340 | 410 | 460 | 535 | 670 | 690 | 750 | |
| D | 157 | 207 | 256 | 380 | |||||||
































