Worn Gear Operated Full Open General Valve
[Search Related Products]
TG34TX worm gear operated full bore twin seal guide way valve is designed according to the market requirements. It is especially to meet the requirements of purging the natural gas pipeline. It has property of bear static electricity and resistance to acid. It is mainly used in areas of natural gas transportation pipeline, city gas supply pipe net, aerial kerosene etc.
| Application Temperature | -500C~2000C |
| Operation Temperature | -290C~1210C |
1.6 Mpa
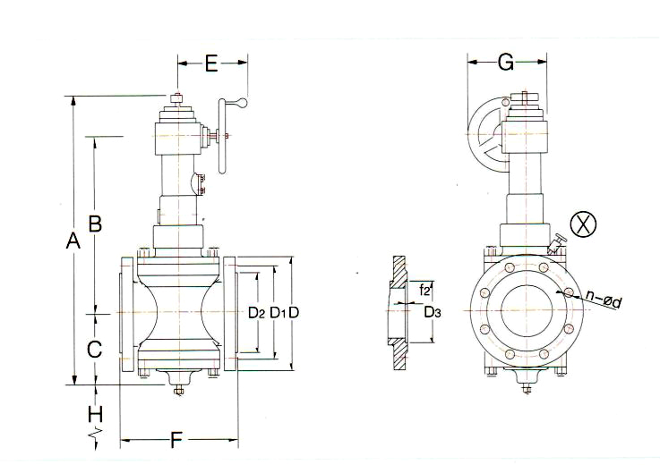
| Nominal Diameter | Operator | A | B | C | D | D1 | D2 | n-§¶d | E | F | G | H | ¨’ | Weight (kg) |
| 50 | KG04J | 668 | 381 | 152 | 165 | 125 | 99 | 4-§¶18 | 265 | 230 | 250 | 80 | 3/8' | 90 |
| 80 | KG05J | 758 | 458 | 167 | 200 | 160 | 132 | 8-§¶18 | 265 | 310 | 400 | 115 | 1/2' | 135 |
| 100 | KG06J | 975 | 595 | 207 | 220 | 180 | 156 | 8-§¶18 | 315 | 350 | 450 | 127 | 1/2' | 168 |
| 150 | KG06J | 1239 | 720 | 255 | 285 | 240 | 211 | 8-§¶22 | 315 | 480 | 450 | 190 | 1/2' | 219 |
| 200 | KG07J | 1219 | 698 | 266 | 340 | 295 | 266 | 12-§¶22 | 315 | 600 | 450 | 228 | 1/2' | 461 |
| 250 | KG07J | 1333 | 736 | 343 | 405 | 355 | 319 | 12-§¶26 | 315 | 730 | 450 | 278 | 1/2' | 535 |
| 300 | KG08J | 1524 | 889 | 381 | 460 | 410 | 370 | 12-§¶26 | 370 | 850 | 500 | 355 | 1/2' | 900 |
| 350 | KG08J | 1562 | 914 | 393 | 520 | 470 | 429 | 16-§¶26 | 370 | 980 | 500 | 381 | 1/2' | 1010 |
| 400 | KG08J | 1625 | 939 | 431 | 580 | 525 | 480 | 16-§¶30 | 370 | 1100 | 500 | 431 | 1/2' | 1260 |
2.5 Mpa
| Nominal Diameter | Operator | A | B | C | D | D1 | D2 | n-§¶d | E | F | G | H | ¨’ | Weight (kg) |
| 50 | KG05J | 668 | 381 | 152 | 165 | 125 | 99 | 4-§¶18 | 265 | 230 | 250 | 80 | 1/2' | 120 |
| 80 | KG05J | 758 | 458 | 167 | 200 | 160 | 132 | 8-§¶18 | 265 | 310 | 250 | 115 | 1/2' | 130 |
| 100 | KG06J | 975 | 595 | 207 | 235 | 190 | 156 | 8-§¶22 | 315 | 350 | 400 | 152 | 1/2' | 153 |
| 150 | KG06J | 1239 | 720 | 255 | 300 | 250 | 211 | 8-§¶26 | 315 | 480 | 450 | 203 | 1/2' | 260 |
| 200 | KG08J | 1397 | 838 | 30 | 360 | 310 | 274 | 12-§¶26 | 370 | 600 | 450 | 229 | 1/2' | 505 |
| 250 | KG08J | 1485 | 876 | 350 | 425 | 370 | 330 | 12-§¶30 | 370 | 730 | 450 | 305 | 1/2' | 756 |
| 300 | KG08J | 1500 | 889 | 350 | 485 | 430 | 389 | 12-§¶30 | 370 | 850 | 450 | 406 | 1/2' | 950 |
| 350 | KG08J | 1625 | 940 | 430 | 555 | 490 | 448 | 16-§¶33 | 370 | 980 | 500 | 430 | 1/2' | 1350 |
| 400 | KG10J | 2108 | 1219 | 482 | 620 | 550 | 503 | 16-§¶36 | 420 | 1100 | 500 | 406 | 1/2' | 1680 |
4 Mpa
| Nominal Diameter | Operator | A | B | C | D | D1 | D2 | n-§¶d | D3 | f2 | E | F | G | H | ¨’ | Weight (kg) |
| 50 | KG05J | 668 | 381 | 152 | 165 | 125 | 99 | 4-§¶18 | 88 | 3 | 265 | 230 | 250 | 80 | 1/2' | 118 |
| 80 | KG05J | 758 | 458 | 167 | 200 | 160 | 132 | 8-§¶18 | 121 | 3 | 265 | 310 | 250 | 115 | 1/2' | 126 |
| 100 | KG06J | 975 | 595 | 207 | 235 | 190 | 156 | 8-§¶22 | 150 | 3.5 | 315 | 350 | 400 | 152 | 1/2' | 155 |
| 150 | KG06J | 1239 | 720 | 255 | 300 | 250 | 211 | 8-§¶26 | 204 | 3.5 | 315 | 480 | 450 | 203 | 1/2' | 262 |
| 200 | KG08J | 1397 | 838 | 300 | 375 | 320 | 284 | 12-§¶30 | 260 | 3.5 | 370 | 600 | 450 | 229 | 1/2' | 510 |
| 250 | KG08J | 1485 | 876 | 350 | 450 | 385 | 345 | 12-§¶33 | 313 | 3.5 | 370 | 730 | 450 | 305 | 1/2' | 763 |
| 300 | KG08J | 1500 | 889 | 350 | 515 | 450 | 409 | 16-§¶33 | 364 | 3.5 | 370 | 850 | 450 | 406 | 1/2' | 960 |
| 350 | KG08J | 1625 | 940 | 430 | 580 | 510 | 465 | 16-§¶36 | 422 | 4 | 370 | 980 | 500 | 430 | 1/2' | 1360 |
| 400 | KG10J | 2108 | 1219 | 482 | 660 | 585 | 535 | 16-§¶39 | 474 | 4 | 420 | 1100 | 500 | 406 | 1/2' | 1700 |
6.4 Mpa
| Nominal Diameter | Operator | A | B | C | D | D1 | D2 | n-§¶d | D3 | f2 | E | F | G | H | ¨’ | Weight (kg) |
| 50 | KG06J | 721 | 399 | 150 | 175 | 135 | 105 | 4-§¶22 | 88 | 4 | 315 | 292 | 400 | 80 | 1/2' | 125 |
| 80 | KG06J | 934 | 637 | 196 | 210 | 170 | 140 | 8-§¶22 | 121 | 4 | 315 | 356 | 400 | 115 | 1/2' | 180 |
| 100 | KG06J | 1228 | 656 | 260 | 250 | 200 | 168 | 8-§¶24 | 150 | 4.5 | 315 | 432 | 450 | 152 | 1/2' | 275 |
| 150 | KG07J | 1322 | 759 | 250 | 340 | 280 | 240 | 8-§¶33 | 204 | 4.5 | 315 | 559 | 450 | 203 | 1/2' | 495 |
| 200 | KG08J | 1697 | 858 | 310 | 405 | 345 | 300 | 12-§¶33 | 260 | 4.5 | 370 | 660 | 450 | 229 | 1/2' | 760 |
| 250 | KG08J | 1885 | 976 | 390 | 470 | 400 | 352 | 12-§¶39 | 313 | 4.5 | 370 | 787 | 450 | 305 | 1/2' | 1263 |
| 300 | KG10J | 2108 | 1193 | 495 | 530 | 460 | 412 | 16-§¶39 | 364 | 4.5 | 420 | 838 | 500 | 406 | 1/2' | 1890 |
| 350 | KG10J | 2325 | 1340 | 545 | 595 | 525 | 475 | 16-§¶39 | 422 | 5 | 420 | 889 | 500 | 430 | 1/2' | 2960 |
| 400 | KG10J | 2692 | 1676 | 610 | 670 | 585 | 525 | 16-§¶45 | 474 | 5 | 420 | 991 | 500 | 406 | 1/2' | 4275 |
10 Mpa
| Nominal Diameter | Operator | A | B | C | D | D1 | D2 | n-§¶d | D3 | f2 | E | F | G | H | ¨’ | Weight (kg) |
| 50 | KG06J | 721 | 399 | 150 | 165 | 127 | 103 | 4-§¶22 | 93.7 | 5 | 315 | 292 | 400 | 80 | 1/2' | 130 |
| 80 | KG06J | 934 | 637 | 196 | 210 | 168.5 | 138 | 8-§¶22 | 128.6 | 5 | 315 | 356 | 400 | 115 | 1/2' | 185 |
| 100 | KG06J | 1228 | 656 | 260 | 275 | 216 | 168 | 8-§¶24 | 158.8 | 5 | 315 | 432 | 450 | 152 | 1/2' | 285 |
| 150 | KG07J | 1322 | 759 | 250 | 355 | 292 | 227 | 8-§¶33 | 217.5 | 5 | 315 | 559 | 450 | 203 | 1/2' | 510 |
| 200 | KG08J | 1697 | 858 | 310 | 420 | 349 | 281 | 12-§¶33 | 271.5 | 5 | 370 | 660 | 450 | 229 | 1/2' | 765 |
| 250 | KG08J | 1885 | 976 | 390 | 510 | 432 | 335 | 12-§¶39 | 325.4 | 5 | 370 | 787 | 450 | 305 | 1/2' | 1270 |
| 300 | KG10J | 2108 | 1193 | 495 | 560 | 489 | 392 | 16-§¶39 | 382.6 | 5 | 420 | 838 | 500 | 406 | 1/2' | 1895 |
| 350 | KG10J | 2325 | 1340 | 545 | 605 | 527 | 424 | 16-§¶39 | 414.3 | 5 | 420 | 889 | 500 | 430 | 1/2' | 2965 |
| 400 | KG10J | 2692 | 1676 | 610 | 685 | 603 | 481 | 16-§¶45 | 471.5 | 5 | 420 | 991 | 500 | 406 | 1/2' | 4280 |








