Seal type Pressure Transmitter
[Search Related Products]
Introduction
YSZK model pressure transmitter is to measure pressure of kinds of medium of liquids, gas in ship and other industrial equipments.
Main Technical Specification:
Power valtage: DC 24V;
Measuring accuracy: ¡À0.5%FS;
Working temp.: -20~60¡æ;
Output signal: DC 4~20mmA(tow wires HART);
Protection: IP66;
Over load: 2.5 time of full range;
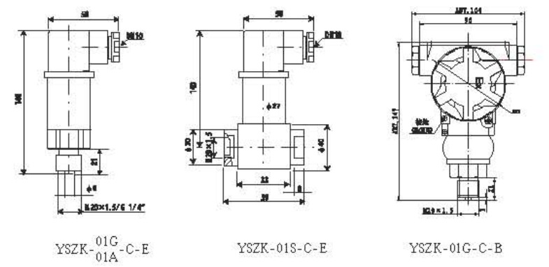
Press connection size: M20X1.5, G1/4', G1/2';
Explosion proof Ex ia II CT4~T6;
Ex d II CT4~T6.
Drawing











