Rope Hatch Cover
[Search Related Products]
Rope Hatch Cover
Rope Hatch Cover meets standards of CB/T 4107-2008, CBM 2013-81 and JIS F2010-70. It should be installed on the exposed deck. It is made of steel. This hatch cover equips with butterfly clips. We provide various specifications of rope hatch cover. If you have any special requirement, we can meet you. All products we provided are eligible. We can provide relevant certificates of this hatch cover for you. If you are interested in this product, please feel free to contact us.
Features
▪ In line with standards of CB/T 4107-2008, CBM 2013-81 and JIS F2010-70
▪ Beautiful appearance
▪ To be watertight
▪ Made of steel
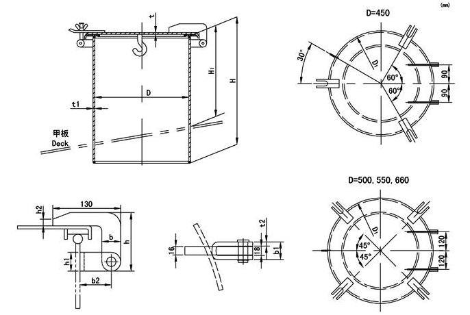
Drawing of Rope Hatch Cover
Specifications of Rope Hatch Cover
Rope Hatch Cover
Rope Hatch Cover in Warehouse
Rope Hatch Cover









































