Raised ISO Foundations
[Search Related Products]

|
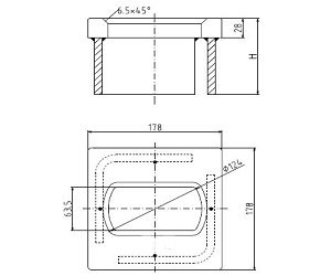
Material: Ship building steel Finish: Paint Weight:7.5KG |
M.B.L:Tension: 500KN M.B.L:Shear: 420KN M.B.L:Compression: 2000KN |





|
Material: Ship building steel Finish: Paint Weight:7.5KG |
M.B.L:Tension: 500KN M.B.L:Shear: 420KN M.B.L:Compression: 2000KN |