HOME
COMPANY
PRODUCTS
FACTORY
PROJECTS
INSPECTION
CONTACTS
Home
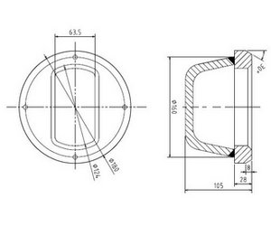
Flush ISO Foundation
[Search Related Products]
Contact with us now
Your mail:
Our mail:
manager@hiseamarine.com
Company:
Content:
Validate:
Change Image